![]() |
点击查看AD4056规格书 |
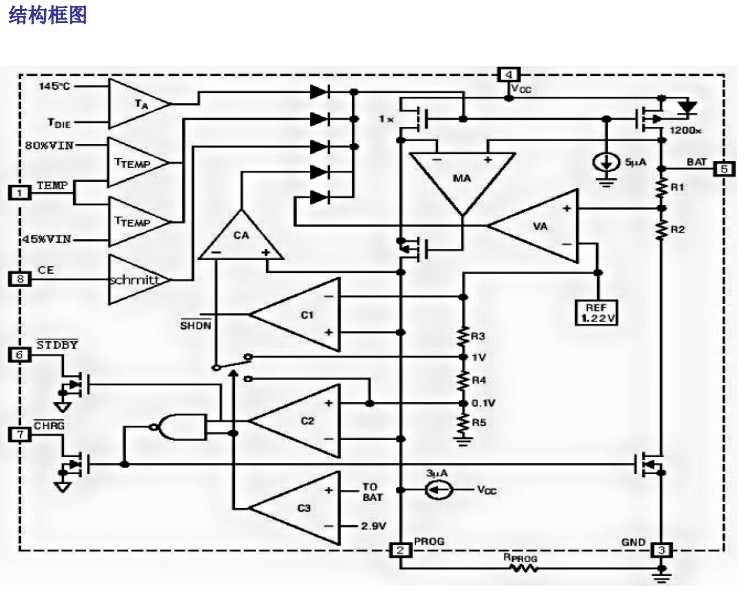
采用了内部 PMOSFET 架构,加上防倒充电路,所以 不需要外部隔离二极管。热反馈可对充电电流进行自 动调节,以便在大功率操作或高环境温度条件下对芯 片温度加以限制。充电电压固定与 4.2V,而充电电 流可通过一个电阻器进行外部设置。当充电电流在达 到最终浮充电压之后降至设定值 1/10 时,AD4056 将 自动终止充电循环。
当输入电压(交流适配器或 USB 电源)被拿掉时, AD4056 自动进入一个低电流状态,将电池漏电流降 至2uA以下。AD4056在有电源时也可至于停机模式, 已而将供电电流降至 55uA。AD4056 的其他特点包 括电池温度检测、欠压闭锁、自动再充电和两个用于 指示充电结束的 LED 状态引脚。




